Anonym
Nicht angemeldet
Anmelden
ProbeWiki
Suche
Schaltplan Audio
Aus ProbeWiki
Namensräume
Seite
Diskussion
Mehr
Mehr
Seitenaktionen
Lesen
Quelltext anzeigen
Versionsgeschichte
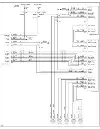
Schaltplan des Premium Audio Systems (nur bei US-Probes) Modelljahr 93-97
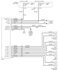
Schaltplan des "Basis" Audio Systems
Kategorien
:
Probe 2
Schaltpläne
Navigation
Navigation
Hauptseite
Alle Seiten
Glossar
Spezialseiten
Mitmachen
Erste Schritte
Hilfe
Letzte Änderungen
Todo
Weitere Infoquellen
MTG Infosammlung
Ford Probe Driver
Probe Bayern Forum
Probe Talk Forum
Wikiwerkzeuge
Wikiwerkzeuge
Seitenwerkzeuge
Seitenwerkzeuge
Benutzerseitenwerkzeuge
Mehr
Links auf diese Seite
Änderungen an verlinkten Seiten
Druckversion
Permanenter Link
Seiteninformationen
Seitenlogbücher
Kategorien
Kategorien
Probe 2
Schaltpläne